Arctic Cat 2002 Parts: Your Guide To Finding Replacements

M.Myconferencesuite 78 views
Arctic Cat 2002 Parts: Your Guide To Finding Replacements

Arctic Cat 2002 Parts: Your Guide to Finding Replacements

Hey guys! Finding the right parts for your Arctic Cat 2002 can sometimes feel like navigating a snowstorm in the dark, right? But don’t worry, this guide is here to help you find everything you need to keep your machine running smoothly. We’ll cover the common parts you might need, where to find them, and some tips for making sure you get the right fit. Let’s dive in!

Understanding Your Arctic Cat 2002 Model

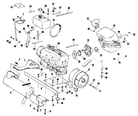
Before you start searching for parts, it’s super important to know exactly what model you have. Arctic Cat made several different models in 2002, and the parts aren’t always interchangeable. Check the model number on your snowmobile. It’s usually located on the tunnel, near the footrests. Common 2002 models include the ZR, ZL, Pantera, Mountain Cat, and more. Each of these has variations, such as engine size (e.g., 500, 600, 800), which also affects part compatibility.

Knowing your specific model is the first step in finding the correct parts. For instance, the ZR series was known for its performance, so you might be looking for high-performance clutching or suspension components. The Pantera, on the other hand, was built for touring, so comfort and reliability parts might be higher on your list. The Mountain Cat, designed for deep snow, might need specialized track or engine parts.

Once you’ve confirmed your model, make a list of the parts you need. Be as specific as possible. Instead of just writing “belt,” note the exact belt number. Instead of “carburetor,” specify the type and any identifying numbers. This list will be your best friend when searching online or visiting a parts dealer. Cross-referencing part numbers with your specific model is crucial. Many online parts retailers have fitment tools that allow you to enter your model information and see only the parts that fit your machine. Take advantage of these tools to avoid ordering the wrong parts. This attention to detail will save you time, money, and frustration in the long run.

Common Arctic Cat 2002 Parts You Might Need

Okay, let’s talk about some of the most common parts you might find yourself needing for your Arctic Cat 2002 . These are the things that tend to wear out or break down over time, so it’s good to be familiar with them. Think of it as knowing the usual suspects!

  • Engine Components: This includes spark plugs, pistons, rings, gaskets, and carburetor parts. If your engine is running rough or not starting, these are the first things to check. Keeping your engine in top shape is crucial for reliable performance. Regular maintenance, like changing spark plugs and cleaning the carburetor, can prevent more serious problems down the road. If you notice a drop in power or unusual noises, it’s time to inspect these components. Make sure to use the correct type of oil and fuel as specified by Arctic Cat for your model year.
  • Drive System: Belts, clutches, and sprockets fall into this category. A worn belt can cause a loss of power, while a damaged clutch can lead to jerky acceleration. Sprockets wear out over time and can affect your snowmobile’s speed and handling. Inspect your belt regularly for cracks, fraying, or excessive wear. Clean and inspect your clutches periodically to ensure they are functioning properly. Replace worn sprockets to maintain optimal performance and prevent damage to other drive system components. Consider upgrading to a high-performance belt or clutch for improved durability and performance.
  • Suspension: Shocks, springs, and bushings are essential for a smooth ride. Worn suspension parts can make your ride uncomfortable and affect handling. Inspect your shocks for leaks and ensure they are providing adequate damping. Check your springs for cracks or sagging. Replace worn bushings to eliminate play in the suspension and improve handling. Consider upgrading to adjustable shocks for a more customized ride.
  • Electrical: Batteries, stators, and voltage regulators keep your electrical system running smoothly. A dead battery can leave you stranded, while a faulty stator or voltage regulator can cause electrical problems. Test your battery regularly and replace it if it’s not holding a charge. Inspect your stator and voltage regulator for signs of damage or corrosion. Ensure all electrical connections are clean and tight. Consider adding a battery tender to keep your battery charged during periods of storage.
  • Body and Chassis: Skis, carbides, and windshields are part of the body and chassis. Damaged skis or worn carbides can affect handling, while a cracked windshield can reduce visibility. Inspect your skis for damage and ensure the carbides are sharp. Replace a cracked windshield for improved visibility and protection from the elements. Consider adding ski skins for improved flotation in deep snow. Regularly inspect the chassis for cracks or damage and repair as needed.

Where to Find Arctic Cat 2002 Parts

Alright, now that you know what parts you might need, let’s talk about where to find them . You’ve got a few options, each with its own pros and cons.

  • Local Arctic Cat Dealers: This is often the best place to start. They have knowledgeable staff who can help you identify the correct parts for your specific model. Plus, you can usually be sure you’re getting genuine Arctic Cat parts, which are designed to fit perfectly and perform reliably. However, dealer prices can sometimes be higher than other sources. Building a relationship with your local dealer can be beneficial for future maintenance and repairs. They may also offer discounts or special promotions to loyal customers. Don’t hesitate to ask for advice or clarification on part compatibility and installation.
  • Online Retailers: Websites like eBay, Amazon, and specialized snowmobile parts sites offer a huge selection of parts at competitive prices. You can often find both new and used parts, making it easier to find what you need within your budget. Just be sure to check the seller’s reputation and read reviews before making a purchase. Online retailers often have detailed product descriptions and specifications, making it easier to compare parts and find the right fit. Take advantage of customer reviews to get insights into the quality and performance of different parts. Be sure to factor in shipping costs and delivery times when comparing prices.
  • Used Parts Suppliers: If you’re on a tight budget, consider looking for used parts. Salvage yards and online marketplaces are good places to start. Just be aware that used parts may have wear and tear, so inspect them carefully before buying. Used parts can be a cost-effective solution for non-critical components or for older snowmobiles. Inspect used parts thoroughly for signs of damage, wear, or corrosion. Ask about the part’s history and how it was used. Be prepared to clean and refurbish used parts before installation. Consider the potential risks and benefits of using used parts before making a purchase.
  • Snowmobile Forums and Clubs: These can be great resources for finding parts and getting advice from other Arctic Cat owners. Members often sell used parts or know where to find hard-to-find items. Plus, you can get valuable tips and tricks for maintaining your snowmobile. Snowmobile forums and clubs are also great places to connect with other enthusiasts and share your experiences. Participate in discussions and ask questions to learn more about your snowmobile and how to maintain it. Consider joining a local snowmobile club to access even more resources and support.

Tips for Finding the Right Parts

Finding the right parts for your Arctic Cat 2002 doesn’t have to be a headache. Here are a few tips to make the process smoother and more successful:

  • Know Your Model and Part Number: We can’t stress this enough! Before you even start searching, know your exact model and, if possible, the part number you need. This will save you a ton of time and frustration. Refer to your owner’s manual or online parts diagrams to find the correct part numbers. Double-check the part number with your model information to ensure compatibility. If you’re unsure, consult with a knowledgeable parts dealer or mechanic.
  • Check Compatibility: Just because a part looks similar doesn’t mean it will fit your snowmobile. Always check the compatibility before making a purchase. Many online retailers have fitment tools that can help you determine if a part is compatible with your model. Read the product description carefully and look for any compatibility notes or restrictions. If you’re still unsure, contact the seller or manufacturer for clarification.
  • Read Reviews: Before buying anything online, read reviews from other customers. This can give you valuable insights into the quality and performance of the part. Look for reviews that mention the specific model of snowmobile you have. Pay attention to any recurring issues or complaints. Consider the overall rating and the number of reviews before making a decision.
  • Compare Prices: Don’t just buy the first part you see. Take the time to compare prices from different retailers to make sure you’re getting the best deal. Factor in shipping costs and any applicable taxes. Be wary of prices that seem too good to be true, as they may indicate a counterfeit or low-quality part. Consider the overall value of the part, including its quality, performance, and warranty.
  • Ask for Help: If you’re not sure which part you need or how to install it, don’t be afraid to ask for help . Your local Arctic Cat dealer or a qualified mechanic can provide valuable assistance. They can help you diagnose the problem, identify the correct part, and install it properly. Asking for help can save you time, money, and frustration in the long run.

Maintaining Your Arctic Cat 2002 for Longevity

Okay, you’ve got your parts, but the job’s not quite done! Proper maintenance is key to keeping your Arctic Cat 2002 running strong for years to come. Here are a few essential maintenance tasks:

  • Regular Inspections: Make it a habit to inspect your snowmobile regularly, especially before and after each ride. Check for any signs of wear, damage, or leaks. Pay attention to the engine, drive system, suspension, and electrical system. Addressing small problems early can prevent them from turning into big, expensive repairs. Keep a maintenance log to track your inspections and repairs.
  • Fluid Changes: Change your engine oil, chaincase oil, and coolant according to the manufacturer’s recommendations. Fresh fluids help to lubricate and protect your engine and other components. Use the correct type of fluids as specified by Arctic Cat for your model year. Dispose of used fluids properly at a designated recycling center.
  • Lubrication: Grease all the grease fittings on your snowmobile regularly. This helps to keep the moving parts lubricated and prevents wear. Use a high-quality grease that is designed for snowmobile applications. Refer to your owner’s manual for the location of all grease fittings.
  • Storage: When storing your snowmobile for the off-season, take the time to prepare it properly . This will help to prevent rust, corrosion, and other damage. Stabilize the fuel, fog the engine, and disconnect the battery. Store the snowmobile in a dry, covered location.

By following these tips, you can keep your Arctic Cat 2002 running smoothly and enjoy many more years of riding. Happy trails, and stay safe out there! Remember, taking care of your machine is an investment in your fun and safety. Regular maintenance not only extends the life of your snowmobile but also ensures that it performs at its best when you need it most. So, get out there, enjoy the ride, and keep your Arctic Cat in top condition!