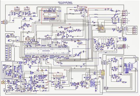
Skema IC Program TV Cina: Panduan Lengkap

M.Myconferencesuite 129 views
Skema IC Program TV Cina: Panduan Lengkap

Skema IC Program TV Cina: Panduan Lengkap

Halo, para teknisi dan penghobi elektronik! Pernahkah kalian berkutat dengan televisi tabung jadul, terutama yang berasal dari Tiongkok, dan merasa bingung melihat deretan IC (Integrated Circuit) yang rumit di dalamnya? Nah, kalian datang ke tempat yang tepat, guys! Artikel ini akan membawa kalian menyelami dunia skema IC program TV Cina . Kita akan bongkar tuntas apa saja sih IC program itu, fungsinya, dan bagaimana kita bisa mengakses serta memahami skemanya. Siap-siap ya, karena kita akan belajar banyak hal menarik seputar teknologi televisi yang mungkin sudah jarang kita temui tapi masih banyak di pasaran loh!

Table of Contents

    Apa Itu IC Program pada TV Cina?

    Oke, jadi gini guys, sebelum kita ngomongin skema-skemanya, penting banget buat kita ngerti dulu apa sih sebenarnya IC program itu di dalam sebuah TV Cina. IC program TV Cina ini pada dasarnya adalah otak kecil yang menyimpan instruksi-instruksi penting buat ngatur kerja seluruh komponen di TV kita. Ibaratnya, kalau televisi itu sebuah orkestra, nah IC program ini adalah sang konduktornya. Dia yang ngasih tahu kapan bagian suara harus masuk, kapan bagian gambar harus ditampilkan, dan bagaimana semua itu harus berjalan harmonis. Pada TV Cina jadul, terutama yang harganya ekonomis, penggunaan IC program ini sangat umum. Tujuannya simpel, untuk mempermudah pabrikan dalam memproduksi massal dengan menanamkan fungsi-fungsi dasar dan spesifik ke dalam satu chip kecil ini. Daripada harus pakai banyak komponen diskrit yang lebih makan tempat dan biaya, satu IC program ini bisa melakukan banyak hal, mulai dari menerima sinyal dari remote, mengelola input video dan audio, sampai mengatur tampilan di layar. Fungsinya bisa macam-macam, ada yang khusus untuk mengontrol prosesor utama, ada juga yang mengontrol bagian *power supply*, bahkan ada yang khusus menangani *tuning* channel. Kadang, IC ini juga menyimpan data kalibrasi pabrik yang bikin gambar dan suara TV jadi sesuai standar yang diinginkan. Nah, karena fungsinya yang sentral ini, kalau ada masalah dengan IC program, biasanya gejala kerusakannya bisa cukup parah, mulai dari TV mati total, gambar acak-acakan, suara aneh, sampai fungsi-fungsi tertentu yang tidak bisa diakses. Makanya, pengetahuan tentang skema IC program TV Cina jadi kunci penting buat kita yang hobi servis atau sekadar ingin tahu lebih dalam. Ini bukan cuma soal memperbaiki, tapi juga soal memahami bagaimana teknologi TV jadul ini bekerja. Dengan memahami IC program, kita bisa lebih mudah mendiagnosis masalah dan mencari solusi yang tepat, guys. So, mari kita lanjut ke bagian berikutnya untuk mengupas lebih dalam lagi!

    Mengapa Skema IC Program Penting?

    Sekarang, mari kita bahas kenapa sih, guys, kita perlu banget ngulik soal skema IC program TV Cina . Ini bukan sekadar hobi buat orang-orang aneh, tapi ini adalah kunci utama buat kita bisa benerin TV yang rusak, terutama TV Cina yang seringkali punya keunikan tersendiri. Bayangin aja, kalian punya TV yang mendadak ngadat, gambarnya aneh, atau bahkan nggak mau nyala sama sekali. Kalau kalian cuma ngandelin tebak-tebakan atau ganti komponen sembarangan, wah, bisa-bisa malah makin parah kerusakannya dan malah ngeluarin biaya lebih banyak, kan? Nah, di sinilah peran skema IC program jadi krusial. Skema ini ibarat peta harta karun buat para teknisi. Di dalamnya tercantum semua informasi penting mengenai pin-out IC (artinya, fungsi setiap kaki atau pin pada IC), bagaimana koneksi antar komponen di sekitarnya, jalur tegangan yang masuk dan keluar, bahkan kadang ada detail sinyal yang seharusnya ada di titik-titik tertentu. Dengan peta ini, kita bisa melacak sumber masalah dengan lebih akurat. Misalnya, kalau ada tegangan yang hilang di salah satu jalur, kita bisa lihat di skema, tegangan itu seharusnya datang dari mana dan lewat komponen apa saja. Kalau ada sinyal yang nggak bener, kita bisa bandingkan dengan yang tertera di skema. Ini juga sangat membantu banget buat kalian yang mau melakukan modifikasi atau upgrade pada TV. Mau nambah fitur? Mau ganti komponen dengan yang lebih baik? Tanpa skema, kalian cuma bakal main tebak-tebakan, dan itu berisiko banget, guys. Terus, kenapa TV Cina ini butuh perhatian khusus? Seringkali, merek TV Cina ini menggunakan komponen yang spesifik dan skema yang kadang nggak didokumentasikan secara resmi seperti merek-merek besar. Jadi, ketika ada masalah, kita harus lebih kreatif dalam mencari informasi, dan skema IC program adalah salah satu sumber informasi terbaik yang bisa kita dapatkan. Skema ini bukan cuma buat teknisi profesional lho, buat kalian yang suka oprek-oprek di rumah, punya skema itu seperti punya senjata rahasia. Kalian jadi lebih pede buat bongkar pasang, lebih tahu apa yang kalian lakukan, dan meminimalkan risiko kerusakan lebih lanjut. Jadi, intinya, skema IC program TV Cina itu adalah panduan teknis yang vital untuk perbaikan, pemahaman mendalam, dan bahkan modifikasi pada televisi, terutama yang berasal dari Tiongkok. Tanpa ini, kita cuma buta di tengah lautan sirkuit yang rumit, guys! Makanya, yuk kita semangat belajar nyari dan pahamin skema ini!

    Jenis-jenis IC Program pada TV Cina

    Oke, guys, sekarang kita masuk ke bagian yang lebih seru lagi, yaitu tentang jenis-jenis IC program TV Cina yang sering kita temui. Perlu diingat nih, dunia televisi Cina itu luas banget, dan mereka sering pakai berbagai macam IC dari berbagai produsen, kadang bahkan pakai IC generik yang fungsinya bisa diadopsi untuk beberapa model. Tapi, secara umum, kita bisa mengelompokkan IC program ini berdasarkan fungsi utamanya. Pertama, ada yang namanya IC *Microcontroller* atau sering disingkat MCU. Ini adalah jenis IC yang paling canggih dan paling sering jadi pusat kendali di TV modern (meski kadang juga ada di TV jadul yang fiturnya lebih banyak). MCU ini biasanya punya prosesor sendiri, memori, dan berbagai periferal input/output. Fungsinya mencakup menerima perintah dari remote, mengelola menu di layar (*On-Screen Display* atau OSD), mengatur perpindahan channel, mengontrol volume, dan bahkan mengelola *power management*. Contoh IC MCU yang sering dipakai di TV Cina bisa bervariasi, ada dari keluarga M6M8xxx, TDAxxxx, atau bahkan IC *custom* dari produsen TV itu sendiri. Kadang, nomor seri IC-nya itu unik banget, jadi kita harus teliti banget pas nyari datasheet-nya. Kedua, ada IC *Video Decoder* atau sering juga disebut IC *Picture Processor*. IC ini tugasnya mengubah sinyal video analog yang masuk (dari antena, AV, HDMI) menjadi format digital yang bisa diolah oleh MCU dan ditampilkan di layar. IC ini sangat krusial untuk kualitas gambar. Kadang, satu IC bisa mencakup fungsi *video decoder* sekaligus *scaler* (mengubah resolusi gambar agar sesuai dengan resolusi layar) dan juga OSD. Contohnya, IC seri CXAxxxx atau LAxxxx sering ditemukan untuk tugas ini. Ketiga, ada IC *Audio Processor*. Sesuai namanya, IC ini bertanggung jawab penuh untuk mengolah sinyal suara. Mulai dari menerima sinyal audio dari berbagai sumber, melakukan proses *decoding* (kalau pakai sistem audio digital), sampai mengatur level suara dan mengirimkannya ke amplifier audio. IC audio ini bisa jadi bagian dari IC *mainboard* yang lebih besar, atau bisa juga berupa IC tersendiri. Keempat, yang nggak kalah penting, adalah IC *EEPROM* atau *Flash Memory*. Nah, IC ini beda tipenya dengan yang lain. Dia itu kayak memori eksternal yang tugasnya nyimpen data konfigurasi dan pengaturan TV. Data seperti frekuensi channel yang tersimpan, pengaturan gambar dan suara favorit, informasi kalibrasi, bahkan kadang *firmware* dasar TV itu ada di sini. Kalau IC EEPROM ini rusak atau datanya korup, TV bisa ngaco banget fungsinya, misalnya nggak bisa simpan channel, atau menu jadi nggak bisa diakses. IC ini biasanya berukuran kecil, bentuknya mirip SOP atau SOT. Contohnya, IC seri 24Cxx, 25Cxx, atau ATxxxx. Terakhir, ada juga IC-IC pendukung lainnya seperti IC *Power Management* yang mengatur tegangan untuk seluruh komponen, IC *Tuner* yang berfungsi memilih dan menguatkan sinyal dari antena, atau IC *SMPS Controller* yang mengatur catu daya utama. Tapi, yang paling sering kita sebut 'IC Program' karena fungsinya yang sentral adalah MCU, *Video Decoder*, dan kadang *EEPROM*. Memahami jenis-jenis ini, guys, akan sangat membantu kita saat mencari skema atau bahkan saat melakukan penggantian komponen. Jadi, kalau kalian lihat papan sirkuit TV Cina, coba perhatikan nomor serinya dan coba cari tahu dia masuk kategori yang mana. Semakin kalian paham, semakin mudah nanti buat berburu skemanya, ya kan?

    Cara Mencari Skema IC Program TV Cina

    Nah, ini dia nih, guys, bagian yang paling ditunggu-tunggu: gimana sih caranya kita bisa nemuin skema IC program TV Cina ? Jujur aja, ini kadang kayak berburu harta karun di tengah lautan informasi, tapi tenang aja, ada beberapa trik jitu yang bisa kita pakai. Pertama dan paling utama adalah dengan mengidentifikasi nomor seri IC yang ada di PCB TV. Cari IC yang paling besar atau yang kodenya paling mencolok. Catat nomor serinya dengan teliti, termasuk kode-kode tambahan di belakangnya, karena ini penting banget. Misalnya, ada IC bertuliskan "TDA12062H/N1FBD0". Nah, "TDA12062" itu adalah kode utamanya, tapi "H/N1FBD0" itu juga bisa jadi penanda varian. Kalau udah punya nomor seri, langkah selanjutnya adalah menggunakan mesin pencari andalan kita, si Google! Coba ketikkan nomor seri IC tersebut diikuti dengan kata kunci seperti "datasheet", "schematic", "circuit diagram", atau "TV schematic". Seringkali, dengan kombinasi ini, kita bisa langsung menemukan file PDF datasheet IC tersebut. Datasheet ini biasanya berisi informasi detail tentang pinout, fungsi tiap pin, karakteristik elektrikal, dan kadang-kadang ada juga contoh aplikasi sirkuitnya. Kalau beruntung, kita bisa nemu skema lengkap TV yang pakai IC tersebut. Kalau nyari skema TV-nya langsung juga bisa. Coba cari informasi model TV-nya (biasanya ada di stiker belakang TV) dan gabungkan dengan kata kunci "service manual" atau "schematic". Banyak forum elektronik di internet yang menyediakan kumpulan *service manual* untuk berbagai merek TV, termasuk merek-merek Cina. Cari forum-forum seperti "Electroschematics", "Badcaps", atau forum lokal Indonesia yang khusus membahas servis elektronik. Di sana, kalian bisa bertanya atau mencari postingan lama yang mungkin sudah pernah membahas model TV yang sama. Selain itu, ada juga website-website yang khusus mengumpulkan skema elektronik. Coba jelajahi situs-situs seperti "Schematic.net", "Electro-Schematics.com", atau "RepairAllTV.com". Siapa tahu model TV Cina kalian atau IC programnya ada di sana. Tapi, perlu diingat guys, untuk TV Cina, skemanya kadang nggak selengkap merek-merek terkenal. Kadang yang kita dapat cuma datasheet IC-nya aja, atau skema blok diagramnya. Nah, dari datasheet itu, kita harus pintar-pintar menganalisis. Perhatikan pin-pin yang terhubung ke komponen lain, jalur tegangan, dan sinyal yang digunakan. Ini butuh sedikit pengalaman dan pemahaman dasar tentang elektronika. Tips tambahan, kalau kalian nemuin IC yang nomornya udah terhapus atau kodenya aneh, coba perhatikan susunan kaki IC dan komponen di sekitarnya. Bandingkan dengan IC sejenis dari TV lain yang mungkin kalian punya skemanya. Kadang, IC program itu sifatnya *interchangeable* atau bisa diganti dengan seri lain yang fungsinya mirip, asalkan pinout dan spesifikasinya cocok. Terakhir, jangan lupa manfaatkan komunitas! Kalau kalian gabung di grup-grup servis elektronik di media sosial atau forum online, seringkali ada anggota lain yang punya koleksi skema atau informasi yang kalian butuhkan. Jangan malu buat bertanya, guys. Dengan kombinasi pencarian online, analisis datasheet, dan bantuan komunitas, peluang kalian nemuin skema IC program TV Cina jadi jauh lebih besar. Semangat berburu skemanya!

    Memahami Datasheet IC Program

    Oke, guys, setelah kita berhasil nemuin data mentahnya, sekarang tantangannya adalah gimana cara kita bisa *ngerti* isi dari datasheet IC program TV Cina itu. Percuma kan kalau kita punya filenya tapi bingung bacanya? Nah, jangan khawatir, mari kita bedah satu per satu bagian penting dari datasheet yang perlu kalian perhatikan. Pertama, yang paling krusial adalah bagian Pin Description atau Pin Configuration . Ini adalah daftar yang menjelaskan fungsi dari setiap pin (kaki) pada IC. Biasanya disajikan dalam bentuk tabel. Kolomnya ada nomor pin, nama pin, dan deskripsinya. Contohnya, pin VCC itu artinya tegangan suplai positif, GND itu ground, DATA IN itu jalur data masuk, CLK itu clock signal, RESET itu sinyal untuk mereset IC, dan sebagainya. Perhatikan baik-baik nama pinnya, karena dari situ kita bisa menebak fungsinya. Kalau ada pin yang nggak jelas fungsinya, coba cari keterangan tambahan di bagian lain datasheet atau di contoh sirkuit aplikasinya. Kedua, ada Electrical Characteristics . Bagian ini berisi spesifikasi teknis dari IC, seperti rentang tegangan operasi (misalnya, VCC 3.3V atau 5V), arus yang dikonsumsi, frekuensi kerja, level tegangan untuk sinyal HIGH dan LOW, dan lain-lain. Ini penting banget buat memastikan kita memberi tegangan yang benar ke IC dan juga untuk mengetahui batasan kerjanya. Jangan sampai kita salah memberi tegangan, nanti IC-nya bisa gosong, guys! Ketiga, jangan lewatkan bagian Functional Description atau Block Diagram . Bagian ini menjelaskan cara kerja internal IC secara garis besar. Block diagram itu kayak peta sirkuit di dalam IC, menunjukkan modul-modul fungsionalnya dan bagaimana mereka saling terhubung. Ini membantu kita memahami alur kerja data atau sinyal di dalam IC. Kalau ada bagian yang rumit, coba baca deskripsinya perlahan-lahan. Keempat, bagian yang seringkali paling dicari adalah Typical Application Circuit atau Reference Design . Ini adalah contoh bagaimana IC tersebut digunakan dalam sebuah rangkaian nyata. Di sini kita bisa lihat IC program terhubung dengan komponen eksternal lainnya seperti resistor, kapasitor, kristal osilator, atau IC lain. Skema aplikasi ini adalah 'harta karun' terbesarnya, guys! Dari sini kita bisa melihat bagaimana IC program berinteraksi dengan dunia luar, jalur-jalur sinyal penting, dan komponen pendukung yang dibutuhkan. Misalnya, kalau IC program butuh osilator, di skema aplikasi akan terlihat jelas resistor dan kapasitor apa saja yang dibutuhkan untuk membentuk rangkaian osilator tersebut. Kelima, perhatikan juga bagian Package Information . Ini menjelaskan bentuk fisik dari IC dan bagaimana penempatan pin-pinnya pada PCB. Penting kalau kita mau melakukan penyolderan atau penggantian IC fisik. Jadi, intinya, guys, memahami datasheet itu butuh kesabaran dan ketelitian. Jangan cuma lihat nomor dan simbol, tapi coba pahami artinya. Mulai dari pinout, spesifikasi tegangan, cara kerja blok diagram, sampai contoh aplikasinya. Semakin kalian terbiasa membaca datasheet, semakin mudah kalian menganalisis masalah pada IC program TV Cina dan komponen elektronik lainnya. Ingat, datasheet itu adalah 'bahasa' teknis dari sebuah IC, jadi kuasai bahasanya, kuasai perbaikannya!

    Troubleshooting Umum dengan Skema IC Program

    Terakhir nih, guys, mari kita bahas bagaimana skema IC program TV Cina ini bisa sangat membantu kita dalam melakukan *troubleshooting* atau perbaikan masalah yang umum terjadi pada televisi. Anggap saja skema ini adalah panduan kita di medan perang perbaikan. Masalah pertama yang sering muncul adalah TV mati total, alias nggak ada tanda-tanda kehidupan sama sekali. Kalau begini, langkah pertama yang harus kita cek tentu saja bagian *power supply*. Di skema, kita bisa lihat dari mana saja tegangan suplai utama berasal dan kemana saja dia didistribusikan. Kita bisa lacak jalur tegangan VCC yang masuk ke IC program utama. Apakah tegangannya ada? Kalau ada, apakah stabil? Jika tegangan suplai ke IC program bermasalah, kita harus telusuri lagi ke belakang, komponen apa saja yang terlibat di jalur tegangan tersebut, mungkin ada kapasitor yang rusak, dioda short, atau bahkan IC power supply itu sendiri yang bermasalah. Skema akan menunjukkan ini semua. Masalah kedua adalah TV menyala tapi tidak ada gambar atau suara. Nah, di sini skema IC program jadi super penting. Kita bisa cek apakah ada sinyal input yang masuk ke IC *video decoder* atau IC utama. Periksa juga sinyal *clock* yang vital untuk kerja IC. Kalau kita punya osiloskop, kita bisa ukur sinyal-sinyal ini dan bandingkan dengan spesifikasi di datasheet atau contoh aplikasi di skema. Kalau sinyal OSD (menu) juga nggak muncul, kemungkinan IC program utamanya bermasalah atau ada komponen pendukungnya yang rusak. Skema akan menunjukkan pin-pin mana saja yang terhubung ke komponen seperti kristal atau kapasitor *decoupling* yang penting untuk stabilitas kerja IC. Masalah ketiga adalah gambar aneh, seperti garis-garis, warna salah, atau gambar terdistorsi. Ini biasanya mengarah ke masalah pada IC *video decoder* atau IC *picture processor*. Dengan skema, kita bisa lihat jalur-jalur sinyal video dari input sampai ke output IC tersebut. Periksa juga koneksi ke IC memori (jika ada) atau ke IC lain yang memproses data gambar. Kadang, masalah ini juga bisa disebabkan oleh komponen pasif yang nilainya berubah di sekitar IC video, seperti kapasitor atau resistor. Skema akan membantu kita mengidentifikasi komponen-komponen ini. Masalah keempat adalah TV tidak bisa menyimpan channel atau pengaturan lainnya. Ini seringkali disebabkan oleh kerusakan pada IC EEPROM atau Flash Memory, atau bahkan data di dalamnya yang korup. Skema akan menunjukkan IC mana yang berfungsi sebagai memori penyimpanan dan bagaimana koneksinya ke IC program utama. Kita bisa cek apakah ada tegangan yang masuk ke IC EEPROM dan apakah jalur datanya terhubung dengan baik. Jika IC EEPROM rusak, biasanya perlu diganti dan diprogram ulang dengan data yang sesuai. Mencari data dump EEPROM untuk model TV spesifik kadang sulit, tapi skema bisa jadi petunjuk awal untuk mengetahui tipe IC EEPROM yang digunakan. Jadi, guys, dengan skema IC program TV Cina di tangan, proses *troubleshooting* jadi lebih terarah dan efisien. Kita tidak lagi menebak-nebak, tapi bisa melakukan pengecekan sistematis berdasarkan jalur dan fungsi komponen yang tertera di skema. Ini menghemat waktu, tenaga, dan biaya perbaikan. Ingat, *practice makes perfect*. Semakin sering kalian menggunakan skema untuk memperbaiki, semakin mahir kalian nantinya. Jadi, jangan pernah takut buat bongkar dan pelajari skema TV kalian, ya!

    Nah, itu dia guys, bahasan kita tentang skema IC program TV Cina. Semoga panduan ini bisa membantu kalian yang lagi bingung nyari atau memahami skema-skema ini. Selamat mencoba dan semoga sukses dalam perbaikan TV kalian!